產品詳情
產品簡介
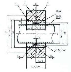
1 、該產品是按照02S404國標圖集生產的。
2 、Ⅱ型剛性防水套管,適用于鑄鐵管,也適用于非金屬管,但應根據采用管材的管壁厚度修正有關尺寸。
3 、翼環及鋼套管加工完成后,在其外壁均刷底漆一遍(底漆包括樟丹或冷底子油)。
4 、Ⅱ型套管尺寸表內所列之材料重量為鋼套管(套管長度L 值按200mm 計算)及翼環之重量。鋼套管及翼環用A3 材料制作,T42 焊條焊接。
5 、Ⅱ型套管穿墻處之墻壁,如遇非混凝土墻壁時應改用混凝土墻壁,其澆注混凝土范圍,Ⅱ型套管應比翼環直徑(D4 )大200mm ,而且必須將套管一次澆固于墻內。套管內的填料應緊密搗實。
6 、Ⅱ型防水套管處的混凝土墻厚,應不小于200mm ,否則應使墻壁一邊或兩邊加厚,加厚部分的直徑,最小應比翼環直徑(D4 )大200mm .
剛性防水套管 (A型)
剛性防水套管(A 型)適用于管道穿墻處不承受管道振動和伸縮變形的構(建)筑物。對于有地震設防要求的地區,如采用剛性防水套管,應在進入池壁或建筑物外墻的管道上就近設置柔性連接。A型適用于鋼管。
剛性防水套管(A型)尺寸、重量表(表中DN為防水套管公稱通徑,D1為該套管設計穿管外徑,D3為防水套管管子外徑,D4為翼環外徑)
產品說明
| DN | D1 | D2 | D3 | D4 | & | b | k | 重量(kg) | DN | D1 | D2 | D3 | D4 | & | b | k | 重量(kg) |
| 50 | 60 | 80 | 114 | 225 | 3.5 | 10 | 4 | 4.49 | 500 | 530 | 550 | 590 | 730 | 10 | 16 | 10 | 44.54 |
| 65 | 75.5 | 95 | 121 | 230 | 3.75 | 10 | 4 | 4.66 | 600 | 630 | 660 | 690 | 830 | 10 | 16 | 10 | 54.5 |
| 80 | 89 | 110 | 140 | 250 | 4 | 10 | 4 | 5.33 | 700 | 720 | 750 | 790 | 920 | 10 | 16 | 10 | 61.43 |
| 100 | 108 | 130 | 159 | 270 | 4.5 | 10 | 5 | 6.36 | 800 | 820 | 850 | 880 | 1020 | 10 | 16 | 10 | 69.12 |
| 125 | 133 | 155 | 180 | 290 | 6 | 10 | 6 | 8.33 | 900 | 920 | 950 | 980 | 1120 | 10 | 16 | 10 | 76.81 |
| 150 | 159 | 180 | 219 | 330 | 6 | 10 | 6 | 10.06 | 1000 | 1020 | 1050 | 1080 | 1230 | 10 | 16 | 10 | 84.5 |
| 200 | 219 | 240 | 273 | 385 | 8 | 12 | 8 | 15.9 | 1200 | 1220 | 1250 | 1290 | 1430 | 12 | 20 | ?12 | 122.5 |
| 250 | 273 | 295 | 325 | 435 | 8 | 12 | 8 | 18.68 | 1400 | 1420 | 1450 | 1490 | 1630 | 12 | 20 | 12 | 141.3 |
| 300 | 325 | 345 | 377 | 500 | 10 | 14 | 10 | 27.4 | 1600 | 1620 | 1650 | 1690 | 1830 | 14 | 20 | 14 | 176.4 |
| 350 | 377 | 400 | 426 | 550 | 10 | 14 | 10 | 30.95 | 1800 | 1820 | 1850 | 1900 | 2040 | 16 | 20 | 16 | 216.6 |
| 400 | 426 | 445 | 480 | 600 | 10 | 14 | 10 | 34.35 | 2000 | 2020 | 2050 | 2100 | 2240 | 16 | 20 | 16 | 239.3 |
| 450 | 480 | 500 | 530 | 650 | 10 | 14 | 10 | 37.85 |
上一產品:柔性防水套管
下一產品:[產品中心]

